|
|
|
●超小型:3.2×1.5×0.8mm サイズで水晶振動子内蔵
●インターフェース: I2C (〜400kHz)
●電源電圧:+1.3〜+5.5V(時刻保持モード時)
●高精度温度補償:±2.5pppm(-40〜+85℃)(工場出荷時/常温偏差含む)
●超低消費電流:160〜190nA Typ
(@+25℃/+3V)(各ードによる)
●バックアップ電源切替え機能
●1/100秒カウンタ
●チャージポンプ付き4段階のバックアップ電源チャージ機能
・1.75V/3.0V/4.5V/Vddの4段階からチャージ電圧を選択
・TDKのセラチャージ(TM)に対応した充電圧設定が可能です。外付け部品無しで
電気二重層コンデンサよりも耐久性に優れた全固体電池をバックアップ電源として使用できます。
●2系統 (INT端子およびCLKOUT端子)の割り込み信号設定が可能
●9種類の割り込み信号機能
@繰返しカウントダウンタイマ Aアラーム B時刻更新 (秒または分)
C外部イベント入力 D電源切替え Eパワーオンリセット F低電圧検出
G低温閾値検出 H高温閾値検出
●温度センサ機能を搭載(12ビット/分解能:0.0625℃ = 1/16℃)
●タイムスタンプ機能
@ 外部イベント入力トリガ A 下限閾値温度検出 B 上限閾値温度検出
●ミラーRAMを伴う EEPROM設定レジスタ
●低周波クロック出力(32.768kHz/1.024kHz/64Hz/1Hz )
●高周波クロック出力(8.192kHzの整数倍=8.192kHz〜67.108864MHz)
| ・RV-3032-C7-TA-QC ( QC : 一般産業機器用途 ) ※ 通常はこちらをご指定下さい。 |
| ・RV-3032-C7-TA-QA ( QA : 車載機器用途/AEC-Q200認証 ) |


・RV-3032-C7 搭載済み
・バイパスコンデンサ・プルアップ抵抗実装済み
・設定変更のジャンパ接続 (Vdd, Vbackup, EVI端子)
・評価ツール との組み合わせでUSB接続で手軽にF/W機能試験を行えます。


*マルツエレック様より即納でご購入できます
・基板に実装済み・はんだ付け不要のバックアップ電池付きの評価ボードです。
・リチウム一次電池搭載済み・時刻設定済みで出荷されます。
・実際の使用環境に近い内容になっています。
(バックアップに一次電池を使用/シンプルに時計機能を使う場合の設定)
※業界トップレベルの高精度デジタル温度補償。
<1Hz及び時刻精度※> ±2.5ppm以内(@-40〜+85℃)
±20ppm以内 (@85〜+105℃/拡張温度範囲)

※メーカー出荷時の値(常温偏差を含めた値)。
量産時にはリフローによる常温偏差の変化(通常0.3〜1.0ppm程度)があることを考慮下さい。


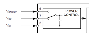
※ 電源切替にダイオードを用いていないため漏れ電流がなく低消費電流です。
・レベル切替モード....Vddが閾値(2.0V Typ.)の電圧以下になると自動でバックアップ電源へ切り替わります
※一次電池の場合はこちらに設定します。
・ダイレクト切替モード.... 電圧が Vdd<Vbackup になると自動でバックアップ電源へ切り替わります
※二次電池、スーパーキャパシタの場合はこちらに設定します
※バックアップ電源へ切り替わると以下の動作になります。
@ I2C通信のインターフェースが自動でディセーブルに移行(ハイインピーダンス)
A CLKOUT端子からの出力が自動でオフになります
B INT端子からの割り込み信号は出力可能な状態を保持
C バックアップ電源への切り替り時に割り込み信号を出力させることも可能です。


RV-3032-C7 のVbackup端子からは外付け部品無しで直接二次電池(充電リチウム電池・電気二重層コンデンサ、及び全固体電池)を充電できるトリクルチャージ機能を備えています。
レジスタ設定で充電電圧を切り替えられるため、1.8V以下の充電電圧が必要な全固体電池 TDK社のセラチャージ(TM)にも対応しています。
外付け部品不要で直接全固体電池を使用することが出来ます。
このトリクルチャージ機能はオフにすることも出来ます(一次電池を使用する場合はオフにします)。
==============================================================
回路接続、及びレジスタ設定は アプリケーションマニュアル 143/155ページ に記載の通りの
設定にて行った実測例です。
( Vdd=+3.3V動作/チャージ時間:約12時間にて(0Vから開始/室温環境)

(バッテリ容量値:100μAh)
バッテリの保持時間は充電時間・温度等により前後します。
上記テスト結果はテストを行ったサンプルでの実測値です。実際製品には仕様値内での個体差があります。
※テストはこちらの RV3032-C7基板 にて行っています。

<全固体電池を用いるメリット>
・全固体電池は同レベルサイズの電気二重層コンデンサよりも大きな容量です。
・動作温度範囲の上限が電気二重層コンデンサより広くなります。
・電気二重層コンデンサよりも長寿命で信頼性に優れています。
( アプリケーションマニュアル 61/155ページ 及び アプリケーションマニュアル 143/155ページ )
二次電源を使用される場合にINT端子をVbackup側にプルアップしているとバックアップ電源の電圧低下時にINT端子の電位が不定になってしまいます。
バックアップ電源動作時には割り込み信号を使用されない場合はINT端子をVdd側にプルアップ接続して下さい。
RV3032-Raspi基板 の場合はデフォルトでINT端子は Vbackup にプルアップされていますので、INT割り込み信号を使用される場合はプルアップ抵抗を取り外して外部でVdd側へプルアップする必要があります。割り込み信号を使用されない場合には INT端子をオープンのままにしていれば問題ありません。
標準の INT端子 からの割り込み信号に加えて、CLKOUT端子からの出力を割り込み信号として設定することが出来ます。低消費電流でバックアップ動作しながら、一方をカウントダウンタイマ割り込み信号、もう一方を時刻更新割り込み信号に設定して異なるインターバルの割り込み信号を出力させることが出来ます。メインのマイコンを必要なオペレーション以外の時間にはスリープさせて消費電流を極力抑えてバッテリの保持時間を延ばしたい場合に非常に有効です。
( アプリケーションマニュアル 63〜64/155ページ 『割込み制御クロック出力』 )


RV-3032-C7 には分解能:0.0625℃(1/16℃)の温度センサ機能が備えられています。
温度管理が必要な機器のい場合に低消費電流で時刻保持と同時に温度管理を RV-3032-C7 で行えます。
また設定した上限温度/下限温度を超えた際に割り込み信号を発出することも出来るため、
温度アラームとしても使用できます。また温度アラーム発生時のタイムスタンプも記録することが出来ます。
→ 温度センサの基準温度の設定方法(アプリケーションマニュアル 107/155ページ)
→ 下限温度のアラーム出力のダイアグラム(アプリケーションマニュアル 90/155ページ)
→ 上限温度のアラーム出力のダイアグラム(アプリケーションマニュアル 93/155ページ)
→ 下限温度のタイムスタンプのスキーム(アプリケーションマニュアル 104/155ページ)
→ 上限温度のタイムスタンプのスキーム(アプリケーションマニュアル 106/155ページ)


低消費電流で時刻を保持しながら、外部イベント発生時のタイムスタンプを記録できます。バックアップモード時でもタイムスタンプを記録し外部イベント入力割り込み信号を出力します。
(1/100秒・秒・分・時・日または曜日・月・年のタイムスタンプを記録)
→ 外部イベント入力によるタイムスタンプ機能のスキーム(アプリケーションマニュアル 102/155ページ)


RV-3032-C7 にはユニークな ミラーRAMを伴った EEPROMレジスタが備えられており、
バックアップ電源切替えなどの重要な設定レジスタはこのミラーRAMを伴うEEPROMレジスタになっています。
通常の書込みに加えて、ミラーRAM→EEPROMへの書込み動作が必要になりますのでご溜意下さい。
この書込み動作を行っていないと一日一回午前0時に実施されるオートリフレッシュ機能により
EEPROM値がミラーRAMに書き込まれる際に設定値が消えてしまうため、必ず行って下さい。
(オートリフレッシュ機能は設定によりオフにすることも出来ます)
● 梱包単位/1,000pcs/1リール または3,000pcs/1リール
●ウェブサイト在庫情報
●(参考)Mouser及び Digikey での表示品番との違いについて
● グリーン調達情報
●リナックスドライバのダウンロード